行业知识

WAX-C320差压变送器液面测量的管路改装分享

2022-09-22 08:53:07 科威

WAX-C320差压变送器液面测量的管路改装分享

故障现象:液氨缓冲槽氨液面的测量,采用WAX-C320电动差压变送器作为液面信号的变送单元,其安装情况如图3-8(图中省去了仪表三阀组管路)。

图片关键词

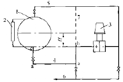
图3-8 液氨缓冲槽氨液位测量安装图


1—液氨缓冲槽;2—玻璃板液面计;3—差压变送器;4—液相导压管;5—气相导压管;6—排放管;7—新加“引液排气管”

投运后,该表一直开不起来,现象为仪表启运瞬间指示正常,但数分钟后仪表指数开始偏高,其偏差值随时间积分式累计,大约20 min左右仪表指数达最大值(实际液位并未变化)。变送器排放校零后重新开表,情况如前,短时间内指数又达满度。

故障分析:经观察分析认为这种现象是由于液氨在导压管中“气化”引起的。变送器正负压室的压差△P为:

△P=P正-P负

(1)因为P正=P0+γH′-γ×ac-γ×abP负=P0

(2) 式可写为△P=[P0+γH′-γ×(ac-ab)]- P0

(3)式中  P正——变送器正压室压力;P负——变送器负压室压力; P0——液氨缓冲槽静压;

γ——液氨工作状态相对密度; H′——实际液面高度;  ac,ab——分别各为一段液相导压管。

因为ac=ab,所以(2)式可简化为△P=γH′,这就是差压法测量液面的基本理论依据。

实际安装时,因考虑到使液面自动测量与玻璃管液面计指数同步,以使于现场校验,所以差压变送器安装的水平高度与玻璃管液面计零线等高。

因受缓冲槽工作温度及压力的限制,特别是液相导压管受气温的影响,就不可避免的使液相导压管中部分液氨汽化,管ac段内生成的气氨可以沿管上升进入缓冲槽内;而管ab段内生成的气氨无法向下走进入槽内,只能沿管上升积聚在变选器正压室内。时间延长不断积累的气氨将沿管ab段自上面下充占。这时虽然实际液面未变,但仪表的压差却发生了变化,当管ab段全部被气氨充满时(2)式可写为:

△P =γH′+γ×ac-γ1×ab

(3)式中  γ1——气氨工作状态相对密度。

因为γ》γ1,式(3)可简化为△P =γH′+γ×ac,从面可知,在γH′为一定值时.因γ×ac的存在,很可能使△P达到或超过变送器测量上限而使其输出为最大的。

故障处理:在原管路上加装了一根14×2的管子作为“引液排气管”,如图中虚线所示。从而根除了上述故障现象发生。



首页
产品
新闻
联系