安博官网线上平
安博官网线上平
网站首页
关于我们
公司简介
在线反馈
安博(中国)
安博(中国)
全部
传感器/变送器
流量计系列
液位/料位系列
阀门/执行装置
液压/气动元件
检维修工器具
化验/分析仪器
其他机电仪产品
安博官网线上平
全部
行业知识
企业新闻
资料下载
安博(中国)
安博官网线上平
推荐
热门
最新
备自投装置 你为什么闭锁了
备自投装置 你为什么闭锁了
2023-09-14
科威
变电站备自投原理知识分享
变电站备自投原理知识分享
2022-10-17
科威
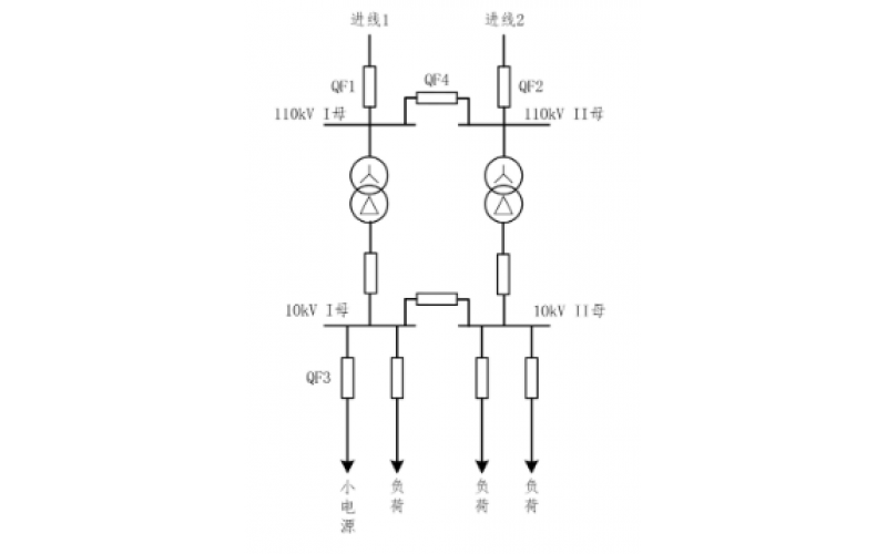
重庆科威-小电源接入对备自投的影响
重庆科威-小电源接入对备自投的影响
2022-09-06
科威
上一页
1
下一页
转至第
首页
产品
新闻
联系
华体网页版
|
九游网页版
|
球速(体育中国)官方网站
|
荣耀体育官方
|
星空·官方端在线登入
|
球速体育在线开户app官方
|
星空在线手机版(大中国区)
|
开云手机网
|
开云手机平台
|