凝结水泵切换操作票
凝结水泵切换操作票

1.接值长令:A凝结水泵切换至B凝结水泵;
2.检查B凝结水泵具备启动条件,密封水、轴承冷却水进出水门全开,凝结水泵抽空气门开启3圈;
3 查询B凝结水泵上一周期运行情况:运行电流 电机轴承温度
4.关闭B凝结水泵出口电动门,退出B凝结水泵联锁;
5.开启凝结水系统再循环电动门,降低凝结水压力至1.4-1.6Mpa且运行凝结水泵电流不超30.4A;
6.启动B凝结水泵运行,出口电动门联开正常;
7.调整凝结水系统再循环电动门,保持凝结水压力在1.6—1.8Mpa;
8.检查B凝结水泵电流 母管压力
9.检查B凝结水泵密封水、轴承冷却水进回水门开启正常;
10.关闭A凝结水泵出口电动门;
11.调整凝结水系统再循环电动门,保持凝结水压力在1.6—1.8Mpa,全关再循环电动门;
12.停止A凝结水泵运行;
13.检查凝汽器水位 ,B凝结水泵电流 ,凝结水压力 ;
14.检查A凝结水泵转子静止,投入A凝结水泵联锁,A凝结水泵出口电动门联开;(若出口电动门开启过程中凝结水泵倒转,立即关闭该凝结水泵出口电动门)
15.汇报值长,A凝结水泵切换至B凝结水泵操作完毕。
凝汽器灌水查漏操作要点有哪些?
1.机组停运,高压缸调节级温度低于100℃。
2.凝汽器底部加装临时支撑和临时水位计,水位计上口不允许封口。
3.开启机组各段抽汽疏水门。
4.关闭主再热蒸汽冷段热段、高旁前后,导汽管、调节级、汽缸夹层疏水电动门,和低旁减温水电动门。
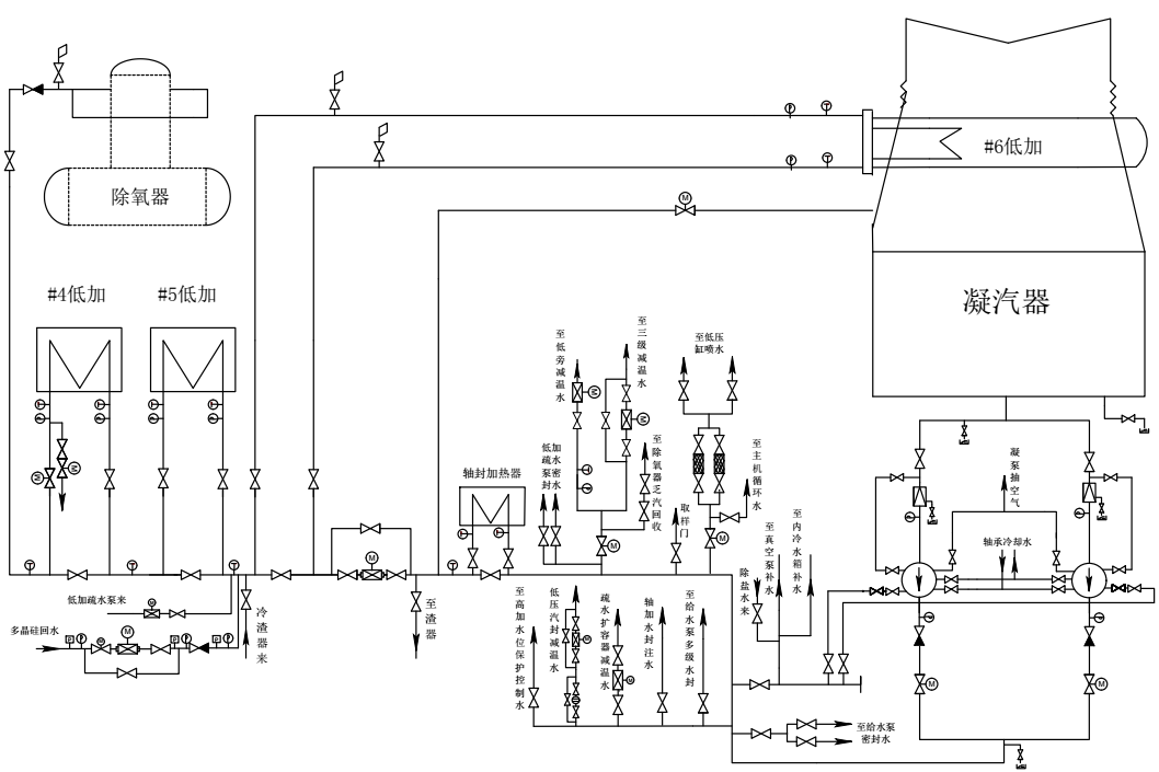
5.关闭A、B凝结水泵进口手动门,抽空气手动门,关闭凝结水再循环调整门。
6.关闭A、B真空泵入口手动门,气动门。
7.对凝汽器进行灌水,水位和凝汽器上盖平即可,水位低于汽封凹窝100mm,水位高容易导致汽缸进水。
8.凝汽器汽侧灌水过程中设专人监视汽缸上下、内外、左右温差,上下温差<30℃,缸温无明显变化,否则立即停止补水,查明原因并消除后再进行补水。
凝结水泵备用条件?
1.机械密封水及冲洗水投入。
2.轴承冷却水投入。
3.凝结泵抽空气门全开。
4.凝结泵进口门全开。
5.凝结泵出口门全开。
6.凝结泵联锁投入。
凝结水泵启动(首次)?
1.联系电气确认电机绝缘合格后送电。
2.检查凝汽器汽测放水门关闭,凝汽器水位500-800mm,进口手动门全开,进口滤网放水门全关,凝结水泵再循环开启大于30%,除氧器上水调整门全关,凝结水各用户供水门全关。
3.检查凝结水泵轴承油位正常,油质合格,盘动转子灵活。
4.开启机械密封进回水手动门、机械密封冲洗水进水手动门、轴承冷却水进回水手动门、抽空气手动门。
5.检查凝结泵联锁退出,出口电动门关闭。
6.检查凝结泵启动条件满足,凝结泵启动,出口门联开。
7.检查凝结泵电流、振动、声音正常。
8.调整凝结水再循环,使凝结水压力在1.2-1.65MPa。
9.检查凝结泵运行正常后,投入备用泵联锁。
10.操作完毕,汇报值长。
低压缸喷水电动门自动开启、关闭条件?
汽机排汽温度>80℃,自动开启(四取三)(2s脉冲)
汽机排汽温度<65℃,自动关闭(四取三)(延时2S)
机组负荷<30MW时,低压缸喷水电动门自动开启
1.凝结水泵电压6000v,电流30.4A,功率250Kw流量355t/h扬程176m,转速1480r/min。
2.低加疏水泵电压380V,电流100.7A/98.5A,功率55Kw,流量46t/56/h,扬程280/180m,转速2930/2950r/min。
3.凝汽器液位高Ⅰ值1000mm,液位高Ⅱ值1200mm。
4.凝汽器液位低Ⅰ值500mm,液位低Ⅱ值300mm。
5.凝结水母管压力低Ⅰ值1.2MPa,压力低Ⅱ值1.0Mpa。
6.凝结水泵跳闸条件(任一条件满足):推力轴承温度90℃,电机轴承温度90℃,电机线圈温度≥130℃,温度速率保护±4℃。
7.凝结水泵推力轴承温度高报警值75℃,电机轴承温度高报警值90℃,电机线圈温度高报警值130℃。
